Giveaway 19 Settembre 2015 Giveaway Of The Week: 3 copie gratuite per Better Battery [CODICI UTILIZZATI CORRETTAMENTE]
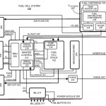
News 3 Settembre 2015 Apple brevetta un sistema capace di alimentare un Macbook per giorni o settimane
Software Mac 10 Giugno 2015 Come migliorare la durata della batterie dei MacBook con Turbo Boost Switcher
MacBook Air 11 Marzo 2015 Apple presenta il nuovo MacBook: 12 pollici, schermo Retina, più sottile, più bello!